Analyzátor zemního plynu A - Stručná referenční příručka

Chromsolutions: Analyzátor zemního plynu A - Stručná referenční příručka
K dispozici je řada různých analyzátorů zemního plynu (NGA), které vyhovují nejrůznějším typům vzorků a požadavkům na výkon, ať už se analýza provádí v laboratoři, přímo v potrubí nebo v terénu. NGA analyzátory NGA jsou standardní systémy „na klíč“, které jsou předem nakonfigurovány a seřízeny ve výrobním závodě, aby byla zajištěna jejich shoda se standardními metodami používanými ke stanovení výhřevnosti zemních plynů a souvisejících toků.
Mohou být také speciálně nakonfigurovány pro stanovení dalších zajímavých složek (např. sloučenin síry), aby se zajistila vhodnost použití v navazujících procesech. Všechny systémy využívají osvědčený a optimalizovaný vícekanálový/vícerozměrný přístup ke stanovení výhřevnosti/spalného tepla zemního plynu i ke kvantifikaci jednotlivých složek.
Chromsolutions: Analyzátor zemního plynu A
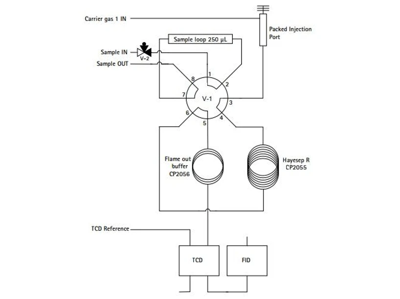
Základní NGA (systém A) je nejjednodušší ze všech analyzátorů NGA. Systém využívá:
- Konfiguraci s jednou kolonou s jedním ventilem
- Teplotně vodivostní detektor (TCD)
- Plamenově ionizační detektor (FID)
TCD se používá pro stanovení O2 , N2 , CH4 , CO2 a uhlovodíků, zatímco FID, zapojený do série, stanovuje uhlovodíky v nízkých koncentracích, tj. C3 - C5 a C6+ se zpětným proplachem píku skupiny C6+ (pozdní zpětný proplach).
Pro vzorky typu LPG je k dispozici jeden nevyhřívaný čtyřportový ventil pro dávkování vzorků kapalin (LSV).
Analyzátor - popis / zveřejněná metoda (metody)
- Zemní plyn A - jednokanálový analyzátor zemního plynu / ASTM D1945, GPA2261
- Zemní plyn B - dvoukanálový analyzátor zemního plynu / ASTM D1945, GPA2261
- Zemní plyn C - Rozšířený analyzátor zemního plynu / GPA 2286 (včetně He/H2)
- Zemní plyn D - Tři rozšířené analyzátory zemního plynu na míru / ASTM D1945, GPA2261, GPA 2286 (včetně He/H2)
Chromsolutions - Analyzátor zemního plynu A - 1. Air, 2. Methane, 3. Carbon dioxide, 4. Ethane, 5. Hydrogen Sulphide, 6. Propane, 7. i-Butane, 8. n-Butane, 9. i-Pentane, 10. n-Pentane.jpg
Závěry
Analyzátor zemního plynu (systém A)
- Analýza je zcela automatizovaná.
- Žádný nákladný vývoj metody.
- Je možná detekce v celém rozsahu.
- Výsledky všech kanálů jsou spojeny do 1 reportu.
- Jednoduché nastavení je zaměřeno na snadnou obsluhu/údržbu a servis.
ChromSolutions Ltd
Více než 110 let zkušeností v oblasti analytické instrumentace. Nezávislé poradenství při výběru analyzátorů. Jasná doporučení a komplexní školení. Společnost ChromSolutions nabízí spolehlivé poradenství a podporu při nákupu, instalaci a provozu analyzátorů.




