GCMS
Další informace
WebinářeO násKontaktujte násPodmínky užití
LabRulez s.r.o. Všechna práva vyhrazena. Obsah dostupný pod licencí CC BY-SA 4.0 Uveďte původ-Zachovejte licenci.

GCMS novinky typu aplikace - strana 5

Simultánní monitorování derivátů furanu a klíčových aromatických látek v kávě a kávových náhražkách
Článek | Aplikace

Simultánní monitorování derivátů furanu a klíčových aromatických látek v kávě a kávových náhražkách

Tato aplikační poznámka demonstruje analytickou strategii založenou na HS-SPME a GC-TOFMS pro stanovení furanu a methylfuranů v kávě a kávových zrnech.
Út, 26.3.2024
LECO
tag
share
more
Simultánní monitorování derivátů furanu a klíčových aromatických látek v kávě a kávových náhražkách
Rozšiřte svou analýzu PFAS: Cílový screening a současná identifikace neznámých látek
Článek | Aplikace

Rozšiřte svou analýzu PFAS: Cílový screening a současná identifikace neznámých látek

Tato přehledová aplikace se zaměřuje na rychle se rozvíjející oblast analýz PFAS a zdůrazňuje, jak probíhá screening známých PFAS.
Út, 12.3.2024
LECO
tag
share
more
Rozšiřte svou analýzu PFAS: Cílový screening a současná identifikace neznámých látek
Nová laboratoř pro analýzu čistoty vodíku na CDV v Brně
Článek | Laboratoře

Nová laboratoř pro analýzu čistoty vodíku na CDV v Brně

Rozšíření akreditované laboratoře o analytické stanovení 15 nečistot vodíku prováděné na základě normy ČSN ISO 14687 s využitím metod GC/MSD a FTIR.
Čt, 7.3.2024
Centrum dopravního výzkumu (CDV)
tag
share
more
Nová laboratoř pro analýzu čistoty vodíku na CDV v Brně
TD-GC-MS/MS analýza neutrálních i iontových PFAS v ovzduší
Článek | Aplikace

TD-GC-MS/MS analýza neutrálních i iontových PFAS v ovzduší

Analytická metoda s vysokou propustností vzorků pro simultánní analýzu neutrálních (FTOH, FOSA) a iontových (PFCA, FTCA) PFAS ve vzduchu pomocí TD-GC-MS/MS od Thermo Fisher Scientific.
Čt, 8.2.2024
Pragolab
tag
share
more
TD-GC-MS/MS analýza neutrálních i iontových PFAS v ovzduší
Kvantitativní analýza CO₂ a CH₄ v atmosféře pomocí Jetanizéru
Článek | Aplikace

Kvantitativní analýza CO₂ a CH₄ v atmosféře pomocí Jetanizéru

Jednoduchá analýza a kvantifikace CO₂ a CH₄ v atmosféře s využitím spojení Jetanizéru s plynovým chromatografem Shimadzu Nexis GC-2030 s FID detektorem.
Čt, 1.2.2024
SHIMADZU Handels GmbH - organizační složka
tag
share
more
Kvantitativní analýza CO₂ a CH₄ v atmosféře pomocí Jetanizéru
Molekulová spektroskopie a environmentální analýza (FTIR)
Článek | Produkt

Molekulová spektroskopie a environmentální analýza (FTIR)

Spektrometr Agilent Cary 630 FTIR v kombinaci s intuitivním softwarem Microlab PC je tou správnou kombinací pro stanovení ropných látek ve vodách.
St, 6.12.2023
Altium International
tag
share
more
Molekulová spektroskopie a environmentální analýza (FTIR)
Analýza fytosanitárních přípravků v povrchových a podzemních vodách pomocí GCxGC-TOFMS
Článek | Aplikace

Analýza fytosanitárních přípravků v povrchových a podzemních vodách pomocí GCxGC-TOFMS

V této studii byly vzorky vod ze životního prostředí extrahovány pomocí SPE a charakterizovány a kvantifikovány na přítomnost 51 fytosanitárních produktů pomocí GCxGC-TOFMS.
Út, 5.12.2023
LECO
tag
share
more
Analýza fytosanitárních přípravků v povrchových a podzemních vodách pomocí GCxGC-TOFMS
Použití nového iontového zdroje s vysokou účinností při analýze těkavých organických látek metodou static headspace
Článek | Aplikace

Použití nového iontového zdroje s vysokou účinností při analýze těkavých organických látek metodou static headspace

Studie demonstrující výhody nového zdroje s vysokou účinností (High Efficiency Source - HES) na citlivost při stanovení těkavých organických látek (Volatile Organic Compounds - VOC).
St, 22.11.2023
Altium International
tag
share
more
Použití nového iontového zdroje s vysokou účinností při analýze těkavých organických látek metodou static headspace
Automatické stanovení Δ9-Tetrahydrocannabinolu (THC) a jeho metabolitů v krevním séru pomocí SPE-GC/MS
Článek | Aplikace

Automatické stanovení Δ9-Tetrahydrocannabinolu (THC) a jeho metabolitů v krevním séru pomocí SPE-GC/MS

Byla vyvinuta a validována plně automatická SPE-GC/MS metoda pro stanovení THC a jeho hlavních metabolitů v krevním séru.
St, 15.11.2023
Altium International
tag
share
more
Automatické stanovení Δ9-Tetrahydrocannabinolu (THC) a jeho metabolitů v krevním séru pomocí SPE-GC/MS
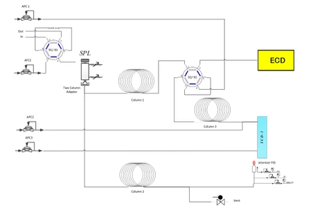
Rychlá analýza skleníkových a anorganických plynů pomocí Shimadzu GC-2030
Článek | Aplikace

Rychlá analýza skleníkových a anorganických plynů pomocí Shimadzu GC-2030

Konfigurace 3-kanálového GC Shimadzu s Jetanizer-FID, TCD, ECD pro vysoce citlivou, opakovatelnou, lineární, robustní a rychlou analýzu skleníkových a anorganických plynů.
Čt, 19.10.2023
SHIMADZU Handels GmbH - organizační složka
tag
share
more
Rychlá analýza skleníkových a anorganických plynů pomocí Shimadzu GC-2030
Další projekty
LCMS
ICPMS
Sledujte nás
Další informace
WebinářeO násKontaktujte násPodmínky užití
LabRulez s.r.o. Všechna práva vyhrazena. Obsah dostupný pod licencí CC BY-SA 4.0 Uveďte původ-Zachovejte licenci.